Dolby Surround 7.1
Vložil/a Kosmik, Út, 28.02.2012 - 16:26
Již za pár dní, dne 2. března uvede společnost Aerofilms do kin záznam koncertu kapely The Chemical Brothers: Don't Think, opatřený zvukovou stopou ve formátu Dolby Surround 7.1. Protože formát Dolby Surround 7.1 není ještě zcela domestikován v našich kinech, uvádíme zde překlad článku z magazínu Cinema Technology od editora magazínu Jima Slatera (http://www.cinematechnologymagazine.com) a Nicka Watsona z Dolby Laboratories (http://www.dolby.com).
K čemu nový formát pro kina ?
V létě 2010 společnost Dolby spolupracovala s Walt Disney Pictures a Pixar Animation na produkci filmu “Příběh hraček 3” (Toy Story 3) ve zvukovém formátu 7.1. Tento další krok ve filmovém zvuku je výsledkem požadavku filmového průmyslu rozšířit filmový zážitek o kousek dále, za dnes běžný formát 5.1, který je široce rozšířen i v domácím použití. Ke konci roku 2010 bylo na světě více než 1000 sálů. které již upgradovaly na formát Dolby Surround 7.1 a jedná se o nejrychleji rostoucí zvukový systém v kinech i dle počtu vydávaných titulů vydávaných jak v Holywoodu, tak v Evropě a Asii.
Vývojáři u Dolby pracovali na potenciálních nových zvukových systémech několik posledních let a odezva od tvůrců i kinařů ukazovala, že je čas posunout zvukový zážitek v kinech opět o kousek dále. Jak je zjevné, obrazový zážitek se podařilo posunout mohutným skokem kupředu nástupem digitálního kina, který byl ještě podpořen znovuzrozením 3D, ovšem filmový zvuk, který nepochybně představuje polovinu filmového zážitku se nezměnil od chvíle kdy byl v souvislosti s premiérou filmu “Star Wars: Episode 1 – The Phantom Menace” v roce 1999 představen zvukový formát Dolby Digital Surround EX.
Úkolem tohoto pohybu ve filmovém zvuku bylo vytvořít nový formát, který bude představovat významný posun zvukového zážitku v kině, a přitom nezpůsobí příliš veliké náklady na filmovou výrobu, distribuci a promítání. Výsledkem tohoto vývoje je formát Dolby Surround 7.1, formát, který byl předvídán vrámci filmové produktové řady již nějaký čas.
Co Je Dolby Surround 7.1?
Dolby Surround 7.1 používá pro základ rozložení surroundových reproduktorů formát 5.1 - Levý surround (Ls) a Pravý surround (Rs) a rozdělí je na levý a pravý postranní kanál (Ls a Rs), a kanály Levý zadní surround (Left Back surround - Bsl) a Pravý zadní surround (Back surround right - Bsr). To znamená, že jakékoli kino vybavené pro reprodukci ve zvukovém systému Dolby Digital Surround EX nebude potřebovat žádnou změnu kabeláže, či konfigurace zesilovačů; což představuje cenově akceptovatelný způsob vylepšení v mnoha dnes již existujících kinech.
Kanály Bsl a Bsr jsou každý kalibrovány na úroveň 82 dBC SPL, podle stejného standardu jako instalace formátu Dolby Digital Surround EX. Při poslechu v módu Dolby Surround 7.1 se úroveň 82 dB SPL stane referenční úrovní pro každý ze čtyř surroundových kanálu. Níže je uveden přehled mapování surroundových kanálů v každém z již zmíněných formátů ve zvukovém procesoru:
Užitím dalších surroundových kanálů dostává zvukový mistr možnost přesnějšího umístění zvukových elementů v sále a zároveň zlepšení pohybu zvuků z plátna směrem dozadu, za diváky. Přidané surroundové reproduktory například umožní nejen přesnější reprodukci 360° kruhových pohybů okolo sálu, ale také umožní předo-zadní zvukové přelety bez užití postraních surroundových reproduktorů, napomáhajíc tak lepší simulaci přeletu. Podobně napomáhá toto rozdělení umístění zvukových elementů před plátno bez nežádoucího zaznění z týla sálu, což je žádoucí jak pro ozvučení 2D, tak i 3D filmů.
Díky tomu, že digitální kino (DCP) může najednou přehrát až 16 zvukových kanálů, přidání dvou diskrétních kanálů s sebou nenese problém v distribuci filmů v kinech vybavených tomu odpovídajícím zařízením, stejně jako zůstává zachována možnost reprodukce zvukových stop pro zdravtně postižené spoluobčany (zvuková stopa AD - Audio Description, též známa jako VI-N: Visually Impaired Narration).
Je třeba též poznamenat, že systém Dolby Digital na 35mm filmu zmiňované další surroundové kanály nepodporuje, nicméně stále je možno vytvořit mix ve formátu Dolby Digital Surround EX z originálního Dolby Surround 7.1 mixu. Takový EX mix může být efektivně vyroben sloučením kanálů Bsl a Bsr, do EX kanálu zadního surroundu (Back Surround - Bs).
Co to vše znamená pro produkce a studia?
Pro produkci zvuku ve formátu Dolby Surround 7.1 je třeba zvážit dva důležité faktory.
- pro dosažení správné reprodukce je třeba vytvořit verze v obou zvukových formátech Dolby Surround 7.1 a 5.1 (Dolby Digital EX)
- systém distribuce, který přesně cílí Dolby Surround 7.1 a 5.1 mixy do kin vybavených odpovídajícím zvukovým systémem.
Ve chvíli, kdy je zvuková stopa v systému Dolby Surround 7.1 dokončena, je potřeba vytvořit DCP tak, aby v kinech vybavených odpovídajícím zvukovým systémem bylo možno přehrát správně zvukový mix Dolby Surround 7.1, při zachování možnosti přehrání přídavnách kanálů, jako např. Audio Description pro nevidomé.
Pro zvukový mix ve formátu 5.1 se užívá následující konfigurace kanálů:

V budoucnu, se zavedením SMPTE značení kanálů v DCP budou servery v kinech zkonfigurovány během instalace tak, aby byly schopny správně identifikovat zvukové kanály a nasměrovat jejich výstup odpovídajícím směrem do kinoprocesoru. Nicméne do doby, než toto rozšíření DCI/SMPTE standardu vejde v platnost bude nutno přidávat další zvukové kanály v DCP dle předdefinovaných kanálových tabulek.
Vzhledem k probíhajícím diskusím ve standardizačních komisích je první “volný” kanálový pár v 16-ti kanálovém DCP kanálový pár 11/12. A proto jsou zvukové kanály Bsl a Bsr umístěny na tomto kanálovém páru 11/12. Užitím všech šestnácti zvukových stop najednou se zde otevírá možnost přesunutí kanálů se zvukovou stopou pro pro sluchově postižené (HI) a zrakově postižené (VI-N / AD) na pár 15/16, takže během přechodné fáze (před implementací značení kanálů) je u distribucí, které podporují tuto možost vhodné umísťovat zvukové stopy HI a VI-N na oba kanálové páry: 7/8 i 15/16.
To vše znamená, že u již existujících instalací, které mají zapojení kanálu AD na kanále č. 8 nebude třeba hned měnit zapojení, neb i v současné konfiduraci bude možno přehrát AD kanál u mixů 5.1 i dolby Surround 7.1, nicméně v dlouhodobém horizontu je dobré myslet na přesunutí kanálů (VI-N / AD) na pár 15/16.
Více podrobností o doporučené instalaci lze nalézt níže. V následující tabulce je zobrazeno rozložení kanálů ve DCP se zvukovým mixem Dolby Surround 7.1:
Je třeba poznamenat, že dokud nebude implementována podpora značení audio kanálů v serverech, bude nutné aby bylo v napoužívaných kanálech nahráno ticho (v příkladu uvedeném výše, např. v kanálech 9/10 a 13/14). Nápodobně i software pro mastering, či packaging musí být upgradován pro práci se šestnácti zvukovými stopami.
Jakmile je vytvořeno DCP ve formátu Dolby Surround 7.1, musí být správně pojmenováno dle “Digital Cinema Naming Convention” tak, aby mohlo být správně identifikováno v kině. Protože vždy budou k dispozici oba zvukové mixy: 5.1 i Dolby Surround 7.1, budou vrámci jednoho DCP vytvořeny dva CPL (Composition Play List), jako na následujícím příkladu:
FILM-TITLE_FTR-1-3D_F_EN-XX_UK-PG_51_2K_DI_20100510_DGB_i3D_OV
FILM-TITLE_FTR-1-3D_F_EN-XX_UK-PG_71_2K_DI_20100510_DGB_i3D_OV
V tomto příkladu první CPL pojmenovává zvukovou stopu ve formátu 5.1 (jak ukazuje odkaz _51_), zatímco druhé CPL odkazuje na zvukovou stopu Dolby Surround 7.1 (jak ukazuje odkaz _71_).
Jak toto všechno ovlivní distribuci?
Běžná praxe distribuce filmového obsahu se zvukovou stopou Dolby Surround 7.1 je, že DCP obsahuje dva CPL a dvě zvukové stopy (jak popsáno výše), nicméně sdílíc stejný obrazový soubor, který je společný oboum verzím. Protože jsou dva CPL, každý z nich vyžaduje unikátní licenci = KDM. Výsledkem toho je, že je možno zacílit KDM pro playback v systému Dolby Surround 7.1 právě a jenom do těch kinosálů, které byly upgradovány pro správný playback v tomto formátu.
Alternativně je možné zaslat KDM klíče pro obě audio stopy to všech kinosálů, ale v takovém případě zde vyvstává riziko, že například zvukový mix Dolby Surround 7.1 bude přehrán v kinosále s instalací 5.1, a tedy zvuková informace zadních kanálů (Back Surround = Bsl a Bsr) bude ztracena. Naopak, pokud bude přehrána zvuková stopa 5.1 v kinosále vybaveném systémem Dolby Surround 7.1, bude zvuk surroundových kanálů přehrán pouze z postraních reproduktorů, zatímco zadní reproduktory nebudou hrát nic.
Seznam kin, která oznámila upgrade svého zvukového systému na Dolby Surround 7.1 je k vidění na interaktivní mapě:
Stejně tak, jako upgrade zvukového zařízení v kině na systém Dolby Surround 7.1, je také důležité vyplnění a odeslání elektronické registrace do Dolby. Tím bude nejen zaručeno, že se dané kino objeví na seznamu uvedeném na stránkách dolby.com, ale hlavě, že se tato informace dostane k distributorům, a tedy, že každé kino obdrží odpovídající zvukový mix. Díky těmto informacím se též distributoři a filmová studia mohou rozhodnout pro která teritoria vytvořit verzi v systému Dolby Surround 7.1.
Jaký upgrade je vyžadován od kin?
Formát Dolby Surround 7.1 je podporován v kinoprocesoruech CP750 a též CP650 s digitálními vstupy. Naopak není podporován adaptéry DMA8, či DMA8Plus, neb analogové vstupy starších kinoprocesorů pro které jsou tyto adaptéry prmárně určeny, podporují maximálně 5.1 diskrétních kanálů.
V kinoprocesoru CP650 je pro přehrání systému Dolby Surround 7.1 potřeba zvolit digitální vstup (ze serveru) a Surround EX výstup z kinoprocesoru, což vyžaduje instalaci volitelných karet cat. 790, případně cat. 778. Nový formát, (Format 91) byl vytvořen pro reprodukci Dolby Surround 7.1 zvukového mixu a v případě, že tento formát není k disposici v daném kinoprocesoru CP650, bude třeba takový kinoprocesor upgradovat. Poté bude možno nový formát plně automatizovat použitím již existujících metod (seriový port, Ethernet, GPIO).
V kinoprocesoru CP750 je vyrvořen přídavý dekódovací mód pero podporu formátu Dolby Surround 7.1. Tento mód může být aktivován v ovládacím software CP750, z předního panelu kinoprocesoru, nebo automatizací (seriový port, Ethernet).
Upgrade software v kinoprocesoru ovšem nevyžaduje další ekvalizaci v kinech, která již byla zapojena na sormát Dolby Surround EX. Nicméně je třeba přepojit AES kabeláž ze serveru do kinoprocesoru dle konfigurace popsané výše a zobrazené níže. Více informací o upgrade kinoprocesorů CP650 a CP750 je presentováno v servisních field bulletinech Dolby.

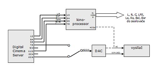
Jak již bylo řečeno, zvuková stopa pro nevidomé (AD) je stále podporována v DCP s Dolby Surround 7.1 zvukovým mixem. Pokud je pro tento účel používán externí převodník (DAC), který předává AD informaci infračervenému vysílači je záhodno, aby kina s tímto systémem byla dovybavena přepínačem, který bude přepínat vstup zmíněného převodníku mezi kanály 7/8 a 15/16.
Je též dobré poznamenat, že digital cinema server musí podporovat playback 16ti zvukových kanálů pro účel přehrávání zvukové stopy v systému Dolby Surround 7.1, což může v některých případech vyžadovat upgrade software, případně i hardware. Všechny digital cinema servery vyráběné v Dolby mají hardware, který je schopen přehrání 16ti zvukových kanálů, pouze je třeba, aby instalovaný systémový software byl ve verzi 4.0.8 a vyšší.
Jak se změní příprava představení a promítání?
Při přípravě představení (show build) s celovečerním filmem ve formátu Dolby Surround 7.1 je pravděpodobné, že část předprogramu (reklamy, trailery), budou pouze ve formátu 5.1. V takovém případě je třeba zajistit, že kinoprocesor bude při zahájení promítání v 5.1 módu a promítací automatika (např. Dolby NA10) přepne kinoprocesor do formátu Dolby Surround 7.1 na začátku filmu. Některé trailery dodané spolu s hlavním flmem, který je ve formátu Dolby Surround 7.1, mohou též obsahovat zvukovou stopu vyrobenou ve formátu Dolby Surround 7.1, a je tedy dobré na tuto skutečnost brát zřetel při přípravě představení a automatizačních cues.
V případě CP650, formát Dolby Surround 7.1 (Format 91) může být spojen s běžným povelem změny formátu, například v Dolby Show Manageru a umístěn na časovou osu představení. Alternativně může být povel změny formátu aktivován existujícím automatizačním systémem za použití GPI, nebo ASCII příkazů po seriovém, či Ethernetovém rozhraní.
V případě CP750 je formát Dolby Surround 7.1 spíše dekódovacím módem kinoprocesoru, než samostatným formátem, díky rozdílné logice ovládání kinoprocesoru CP750. Automatizační systém, nebo řízení kina (Theatre Management System - TMS) mohou vyžadovat upgrade pro použití nového dekódovacího módu Dolby Surround 7.1 užitím ASCII povelů po seriovém, či Ethernetovém rozhraní.
© Jim Slater a Nick Watson pro Cinema Technology 2011. Všechna práva vyhrazena.
Pro Digitální kino připravil Pavel Štverák
|
Filmy v 7.1
http://www.dolby.com/us/en/consumer/content/movie/release/dolby-surround-7-1-movies.html
Registrace
Jedna poznámka na okraj. Cen uvedených v onom dokumentu na straně 2 se nelekejte, to jsou ceny za upgrade, který, pokud již Vaše kino hraje ve formátu Dolby Surround 7.1, máte ve Vašem kinoprocesoru proveden.